PICLON Air Filter Systems for Construction Machinery
A PICLON air filter system is a multi-stage air filtration unit for construction machinery with integrated pre-separation, designed for continuous high dust exposure and demanding operating conditions.
PICLON air filter systems are used in excavators, wheel loaders and other off-highway machines and are part of the construction machinery air filters category. They are designed for applications where stable filtration is required under constant heavy dust conditions.
Within the MANN+HUMMEL air filter systems portfolio, PICLON systems represent robust filtration performance under demanding operating environments.
📞 +49 (0)2241 26 56 700
- Undercarriage
- Rubber Tracks
- Buckets - Configurator
-
Filters for Construction Machinery
- Construction Machinery Air Filters
- Construction Equipment Oil Filters
- Construction Equipment Fuel Filters
- Primary Fuel Filters (Pre-Filters)
- Construction Equipment Hydraulic Filters
- Excavator buckets
- Hydraulic breaker
- Tooth and Teeth systems
- Demolition and sorting grab
- Edges and Blades
- LIS Aktuell
- Quick couplers & swing couplers
- Spare Parts
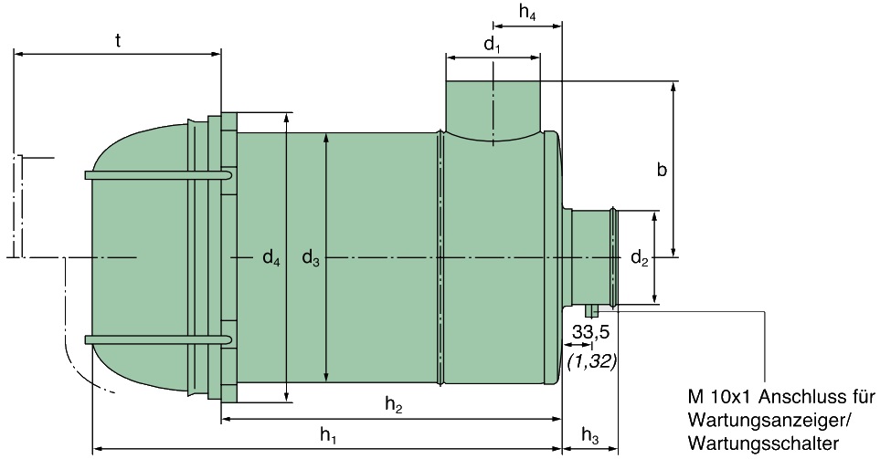
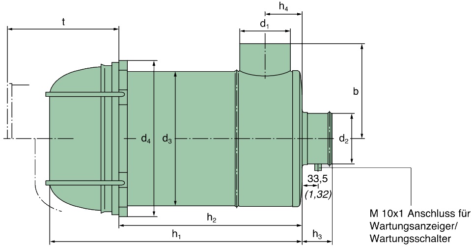
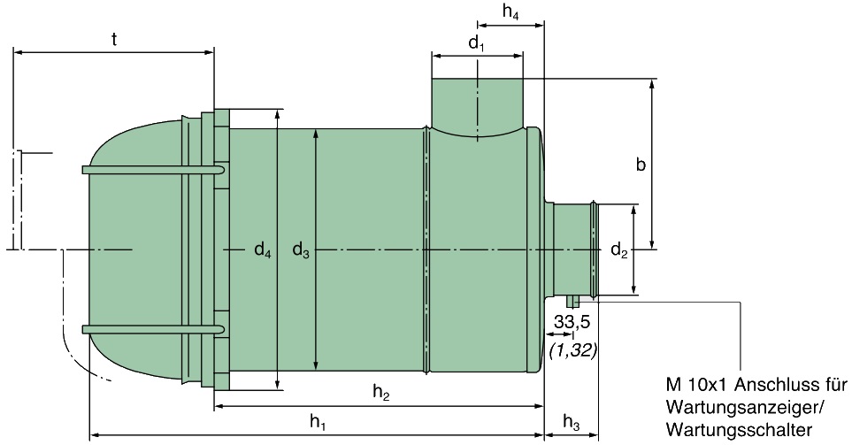
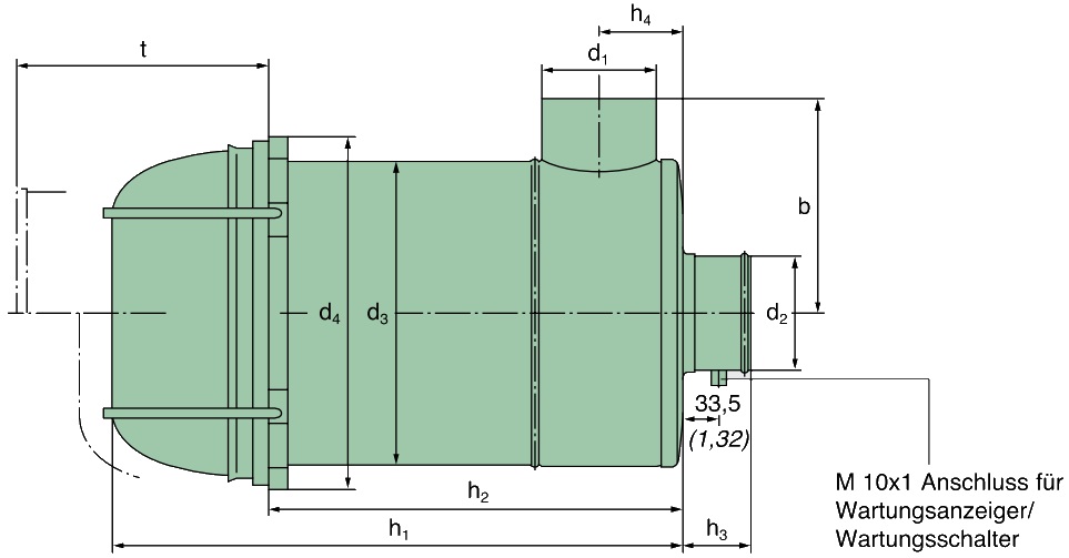
Function within the intake system
PICLON systems clean intake air in multiple stages before it enters the engine. Integrated pre-separation reduces particle load, while the main filter element performs fine filtration.
This system structure reduces filter load, stabilizes filtration performance and lowers wear in the intake system and engine.
Designed for heavy dust conditions
PICLON air filter systems are engineered for applications with continuous high dust concentration. The integrated pre-separation stage reduces the load on the main filter and ensures stable filtration under demanding conditions.
Typical applications include earthmoving, quarry operations, recycling and construction sites with high dust exposure.
Technical features of PICLON systems
- Designed for continuous heavy dust exposure
- Integrated pre-separation to reduce filter load
- Multi-stage filtration for stable intake air quality
- Robust system design for demanding environments
- Suitable for continuous operation in off-highway machinery
Applications and use cases
PICLON air filter systems are used in applications requiring reliable filtration under harsh conditions, including:
- Excavators
- Wheel loaders
- Dozers
- Quarry and mining equipment
- Recycling machinery
Typical conditions include high dust concentration, abrasive particles and continuous operation.
Technical identification and selection
The correct PICLON system is selected based on system designation, reference number and machine application.
- PICLON system designation
- Reference number of the installed system
- Machine model
- Airflow capacity
- Installation space and connection geometry
An incorrect air filter system can lead to increased engine dust load, reduced service intervals and higher wear.
Position within the filtration system
PICLON air filter systems are part of the higher-level construction machinery air filters category and belong to the complete air filters segment.
Unlike air filter elements, they form a complete system unit consisting of pre-separation, airflow routing and main filtration.
Other system series within the MANN+HUMMEL air filter systems portfolio include EUROPICLON, IQORON, ENTARON and NLG Piclon.
PICLON systems are designed for applications requiring robust and stable filtration under continuous heavy dust exposure.
📞 +49 (0)2241 26 56 700