FRG Series Air Filter Systems
An FRG air filter system is a two-stage complete air filtration system for construction machinery with a metallic housing design, integrated pre-cleaning and axial seal technology, engineered for dust-intensive and mechanically demanding operating conditions.
The FRG series is part of the filters for construction machinery category and is classified within construction machinery air filters under complete air filters. It belongs to the Donaldson air filter systems.
📞 +49 (0)2241 26 56 700
- Undercarriage
- Rubber Tracks
- Buckets - Configurator
-
Filters for Construction Machinery
- Construction Machinery Air Filters
- Construction Equipment Oil Filters
- Construction Equipment Fuel Filters
- Primary Fuel Filters (Pre-Filters)
- Construction Equipment Hydraulic Filters
- Excavator buckets
- Hydraulic breaker
- Tooth and Teeth systems
- Demolition and sorting grab
- Edges and Blades
- LIS Aktuell
- Quick couplers & swing couplers
- Spare Parts
System classification
The FRG series is used in construction machinery, off-highway equipment and technical applications where two-stage air filtration with integrated pre-cleaning and a robust housing design are required.
Typical applications include earthmoving, demolition, mining and stationary equipment, where not only dust exposure but also mechanical factors such as vibration, shock loads and elevated temperatures must be considered.
In contrast to FPG systems, the focus is not on lightweight plastic construction but on a mechanically durable metallic housing design. Compared to the FTG series, the FRG series is more compact while still designed for continuous operation under dust-intensive conditions.
Unlike individual air filter elements, the FRG series represents a complete system consisting of housing, airflow management, pre-cleaning and filtration.
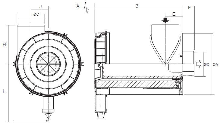
Two-stage filtration and system design
The FRG series operates as a two-stage air filtration system. In the first stage, pre-cleaning is achieved through controlled airflow, where particles are separated from the air stream by centrifugal force. In the second stage, the filter element performs fine filtration.
The integrated pre-cleaning reduces the load on the main filter and ensures uniform distribution across the filter media. This minimizes localized stress and maintains stable filtration performance under continuous load.
Axial seal system and dust evacuation
Sealing is achieved באמצעות an axial seal system, where the filter element is pressed axially against the housing outlet. This design provides reliable sealing performance even under vibration and mechanical stress.
The system uses an integrated Vacuator™ Valve, which enables automatic discharge of separated dust particles from the housing and reduces internal contamination.
For proper function, the Vacuator™ Valve must be positioned at the lowest point of the housing. The permitted installation angle must be verified according to manufacturer specifications.
Due to the axial removal of the filter element, sufficient service clearance must be considered during installation. Depending on the housing size, the required clearance can be approximately equal to the housing length.
Construction and materials
The FRG series is typically designed with a powder-coated metal housing. This construction is used where mechanical stress, elevated temperatures and external impacts must be considered.
Compared to plastic systems, the metallic design provides higher structural stability and is particularly suitable for demanding off-highway applications.
Variants and configurations
The FRG series includes different configurations such as FRG, FRG2 and FRG3, which vary in mounting position, connection geometry and service access.
Selection is based on installation space, airflow requirements and machine design.
Position within the Donaldson system range
Within the Donaldson air filter systems, the FRG series is positioned as a robust two-stage system for medium to high dust load conditions.
- EPB-ERB2 series: compact systems for low dust environments
- FKB series: systems for medium dust load
- FRG series: two-stage metal housing systems for dust-intensive applications
- FPG series: two-stage plastic systems with radial seal
- FTG series: systems for large engines and high air volume
- PSD series: PowerCore systems for very high dust load
System environment
The FRG series is part of the construction machinery air filters. Suitable air filter elements are required for maintenance and operation.
It is classified within the filters for construction machinery category, which includes air, oil, fuel and hydraulic filtration systems.
Verification before purchase
Before ordering, the series designation, reference number, machine model and installation conditions must be verified.
Check before purchase
- FRG series designation (including FRG2 / FRG3)
- Reference number
- Machine model
- Installation space and connection geometry
Technical support
📞 +49 (0)2241 26 56 700