NLG Piclon Air Filter Systems for Construction Machinery
An NLG Piclon air filter system is a compact air filtration unit for construction machinery with integrated pre-separation, designed for applications with limited installation space and dust-heavy operating conditions.
NLG Piclon air filter systems are used in excavators, compact machines and other off-highway applications and are part of the construction machinery air filters category. They combine compact design with multi-stage filtration in a closed system.
Within the MANN+HUMMEL air filter systems portfolio, NLG Piclon systems represent space-optimized integration with stable filtration performance.
📞 +49 (0)2241 26 56 700
- Undercarriage
- Rubber Tracks
- Buckets - Configurator
-
Filters for Construction Machinery
- Construction Machinery Air Filters
- Construction Equipment Oil Filters
- Construction Equipment Fuel Filters
- Primary Fuel Filters (Pre-Filters)
- Construction Equipment Hydraulic Filters
- Excavator buckets
- Hydraulic breaker
- Tooth and Teeth systems
- Demolition and sorting grab
- Edges and Blades
- LIS Aktuell
- Quick couplers & swing couplers
- Spare Parts
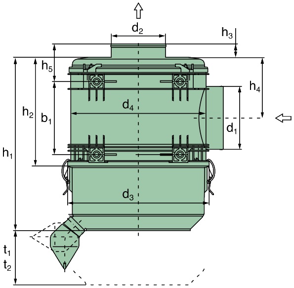
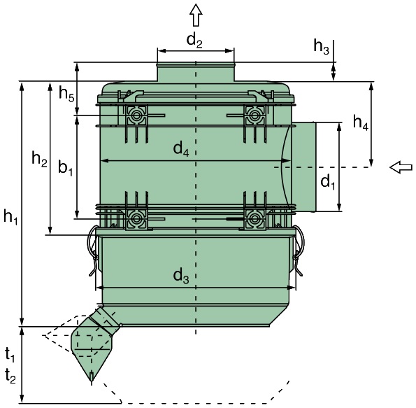
Function within the intake system
NLG Piclon systems clean intake air in multiple stages before it enters the engine. Integrated pre-separation reduces particle load, while the main filter element performs fine filtration.
This system structure reduces filter load, stabilizes filtration performance and lowers wear in the intake system and engine.
Compact design and system layout
NLG Piclon air filter systems are designed for applications with limited installation space. Their compact design enables integration into machines with restricted space without compromising filtration performance.
The system layout is defined by installation space, airflow and dust load, allowing use in compact machine concepts where larger systems are not feasible.
Technical features of NLG Piclon systems
- Compact design for limited installation space
- Integrated pre-separation to reduce dust load
- Multi-stage filtration within a closed system
- Designed for varying dust conditions
- Integration into compact machine concepts
Applications and use cases
NLG Piclon air filter systems are used in applications where compact design and reliable filtration are required, including:
- Compact excavators
- Compact loaders
- Wheel loaders
- Municipal and special machinery
- Stationary equipment
Typical operating conditions include limited installation space, variable dust load and changing operating conditions.
Technical identification and selection
The correct NLG Piclon system is selected based on system designation, reference number and machine application.
- NLG Piclon system designation
- Reference number of the installed system
- Machine model
- Airflow capacity
- Installation space and connection geometry
An incorrect air filter system can lead to increased engine dust load, shorter service intervals and higher wear.
Position within the filtration system
NLG Piclon air filter systems are part of the higher-level construction machinery air filters category and belong to the complete air filters segment.
Unlike air filter elements, they form a complete system unit consisting of pre-separation, airflow routing and main filtration.
Other system series within the MANN+HUMMEL air filter systems portfolio include EUROPICLON, IQORON, PICLON, PICOLINO, and ENTARON.
📞 +49 (0)2241 26 56 700