Donaldson PSD Series Air Filtration Systems
A Donaldson PSD air filtration system is a two-stage complete air filter unit for construction machinery in PowerCore design, featuring integrated pre-cleaning and a compact oval housing for dust-intensive off-highway applications.
The PSD series belongs to complete air filtration systems for construction machinery and is used as a closed system unit within the intake air system of off-highway machines.
📞 +49 (0)2241 26 56 700
- Undercarriage
- Rubber Tracks
- Buckets - Configurator
-
Filters for Construction Machinery
- Construction Machinery Air Filters
- Construction Equipment Oil Filters
- Construction Equipment Fuel Filters
- Primary Fuel Filters (Pre-Filters)
- Construction Equipment Hydraulic Filters
- Excavator buckets
- Hydraulic breaker
- Tooth and Teeth systems
- Demolition and sorting grab
- Edges and Blades
- LIS Aktuell
- Quick couplers & swing couplers
- Spare Parts
System Classification
The PSD series is used when, under dust-intensive operating conditions, a two-stage air filtration system with integrated pre-cleaning is required and the airflow within the machine must be controlled.
Typical applications include excavators, wheel loaders, dozers and other construction machinery where compact design, integrated pre-cleaning and defined airflow must be combined in a single system unit.
Unlike individual air filter elements, the PSD series represents a complete system consisting of housing, airflow routing, pre-cleaning and filtration.
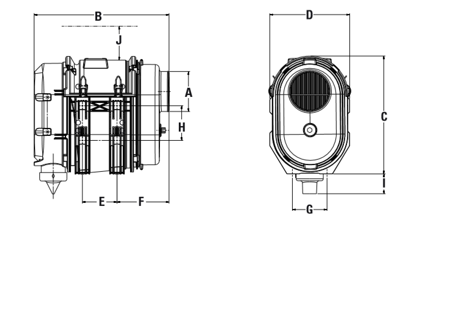
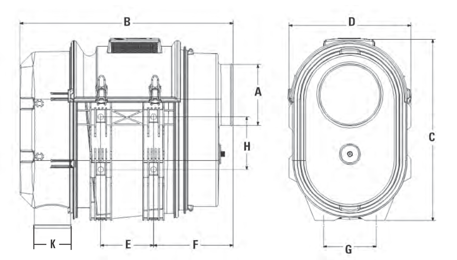
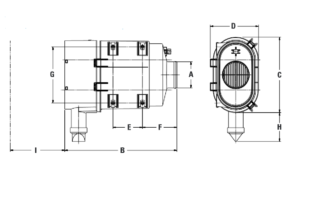
PowerCore Design and System Structure
The Donaldson PSD series operates as a two-stage system, combining integrated pre-cleaning with downstream main filtration. This reduces the particle load before the filter element and relieves the system under dust-intensive operating conditions.
A defining feature is the compact oval PowerCore design, which enables high filtration performance while reducing installation space compared to conventional round housings.
Depending on the configuration, different connection and outlet directions are available, including variants with modified airflow such as 90° or 180° outlet geometries.
Position within Air Filtration Systems
The PSD series is part of the Filters for Construction Machinery and is used within Construction Machinery Air Filters in the segment of Complete Air Filters.
It belongs to the Donaldson Air Filtration Systems and is positioned within these system series for applications requiring compact design and increased dust handling capability.
Applications and System Selection
PSD air filtration systems are used in earthmoving, construction site operation, quarrying, recycling and other off-highway applications.
Selection is based on dust load, airflow requirements, installation space and internal airflow routing of the machine. Differences in housing size, connection position and outlet direction must be considered.
The PSD series is preferred when a compact, high-performance two-stage air filtration system with integrated pre-cleaning is required within limited installation space.
System Environment and Maintenance
The PSD series belongs to Construction Machinery Air Filters. For maintenance and service, correct identification of compatible air filter elements based on series designation, housing design and reference number is required.
Identification Before Purchase
Before ordering, the series designation, reference number, machine model and installation conditions must be verified. Differences in design, connection position or airflow routing can lead to misapplication.
Check before purchase
- PSD series designation
- Reference number of the existing system
- Machine model and series
- Installation space and connection geometry
- Outlet direction / airflow routing
Technical Support
Selection of the correct PSD air filtration system is based on technical system identification and the specific operating requirements of the machine.
📞 +49 (0)2241 26 56 700