Oil Bath Air Filters for Construction Equipment
Oil bath air filters for construction equipment are air intake systems for the mechanical separation of dust particles using an oil bath and oil-wetted separation surfaces.
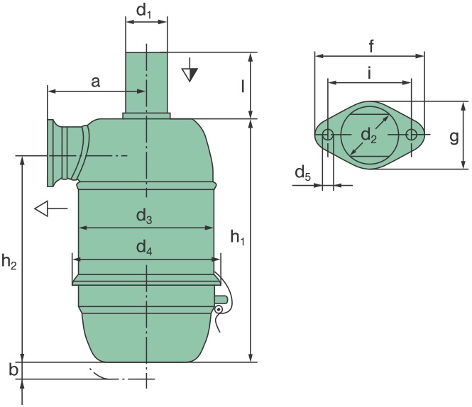
Deviations in design, connection or size lead to altered airflow behavior in the intake system, insufficient separation performance or installation issues.
📞 +49 (0)2241 26 56 700
- Undercarriage
- Rubber Tracks
- Buckets - Configurator
- Filters for Construction Machinery
- Excavator buckets
- Hydraulic breaker
- Tooth and Teeth systems
- Demolition and sorting grab
- Edges and Blades
- LIS Aktuell
- Quick couplers & swing couplers
- Spare Parts
System Design and Components
- Oil reservoir / bowl: contains the oil medium and collects separated particles
- Element / separation body: oil-wetted metal or steel mesh structure
- Housing: airflow guidance and sealing between raw and clean air side
In spare parts operations, not only complete units but also elements, oil bowls and assemblies are relevant. In practice, targeted replacement of individual components is common instead of complete system replacement.
Operating Principle
The intake air passes through the oil bath and the separation body. Dust particles are removed from the airflow through inertia and deflection effects and bound within the oil medium.
Separated particles accumulate in the oil reservoir, enabling continuous filtration without replaceable filter elements. Filtration efficiency depends directly on the condition of the oil medium and the geometry of the separation element.
Unlike dry air filters, filtration is performed without replaceable filter elements.
Applications and Pre-Separation Function
- existing machines and legacy intake systems
- construction and agricultural equipment in dust-intensive environments
- stationary engines and aggregates
- pre-separators to reduce load on downstream filtration systems
In modern applications, oil bath air filters are primarily used as pre-separators to extend the service life of downstream filtration systems.
System sizing is based on the airflow rate and the physical size of the existing intake system.
Maintenance and Operating Condition
- inspection of oil level and contamination
- replacement or cleaning of the oil medium
- cleaning of element and housing
Insufficient maintenance leads to increased particle load and altered airflow behavior within the intake system.
Position within Air Filtration Systems
Oil bath air filters are a specific design within wet air filtration systems, defined by an oil reservoir and separation element.
Compared to modern dry filtration systems, they operate without replaceable filter elements and are mainly used in legacy or specialized applications.
Selection Criteria
- design and dimensions
- connection type and installation configuration
- element and oil reservoir configuration
- size and system design
Selection is system-based and not determined by visual comparison.
Filter System Classification
Oil bath air filters are part of the construction equipment air filters within the filters for construction equipment category.
Pre-Order Check
- existing system configuration
- design and dimensions
- connection geometry
- required component: complete unit, element or oil bowl
Technical Support
📞 +49 (0)2241 26 56 700