NLG Pico Luftfiltersysteme
Ein NLG Pico Luftfiltersystem ist ein kompakter Einstufen-Luftfilter für Baumaschinen, der für Anwendungen mit begrenztem Bauraum und geringer bis mittlerer Staubbelastung ausgelegt ist.
NLG Pico Luftfiltersysteme werden in Kompaktmaschinen, kleineren Baggern und weiteren Off-Highway-Anwendungen eingesetzt, bei denen eine einfache, platzsparende Luftfiltration erforderlich ist.
📞 +49 (0)2241 26 56 700
- Undercarriage
- Rubber Tracks
- Buckets - Configurator
-
Filters for Construction Machinery
- Construction Machinery Air Filters
- Construction Equipment Oil Filters
- Construction Equipment Fuel Filters
- Primary Fuel Filters (Pre-Filters)
- Construction Equipment Hydraulic Filters
- Excavator buckets
- Hydraulic breaker
- Tooth and Teeth systems
- Demolition and sorting grab
- Edges and Blades
- LIS Aktuell
- Quick couplers & swing couplers
- Spare Parts
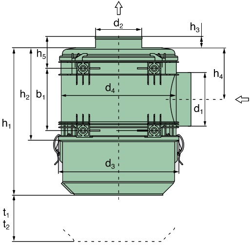
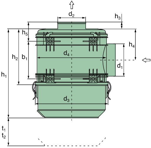
System Classification
NLG Pico systems belong to the construction machinery air filters category and are part of complete air filters. Within the MANN+HUMMEL air filtration systems, they represent a system series focused on simple and compact filtration solutions.
Unlike individual air filter elements, NLG Pico systems form a complete unit including housing and filtration.
Technical Characteristics
NLG Pico systems are designed as single-stage filters for applications with limited dust exposure. The focus is on compact design, simple integration and cost-efficient operation.
- compact design for limited installation space
- single-stage filtration without integrated pre-separation
- simple system structure
- service-friendly filter replacement depending on configuration
- low installation effort
Position within MANN+HUMMEL Systems
Within the MANN+HUMMEL air filtration portfolio, NLG Pico is clearly positioned:
- PICLON → high dust load with pre-separation
- IQORON → high airflow requirements
- ENTARON → modular systems
- PICOLINO → compact systems with extended filtration stability
- PICOLIGHT → lightweight systems
NLG Pico systems are used where simple filtration without complex pre-separation is sufficient and installation space is limited.
Applications
- compact construction machinery
- small excavators
- municipal applications
- machines with limited installation space
Typical applications involve low to moderate dust exposure and limited space availability.
Identification and Selection
System selection is based on NLG Pico designation, reference number or machine compatibility.
Check before ordering
- NLG Pico system designation
- reference number
- machine model
- installation space and connection geometry
System Environment
NLG Pico systems are part of the filters for construction machinery category.
They are functionally separate from other filter systems:
Matching air filter elements are required for maintenance.
📞 +49 (0)2241 26 56 700