MANN+HUMMEL Luftfilter 4592092304 (Piclon)

Artikelnummer: ELS-1800
1.511,38 €
inkl. MwSt. 1.798,54 €

Nicht auf Lager. Bitte senden Sie uns ihre Anfrage, wir beschaffen den Artikel schnellstmöglich für Sie!

Anfrageformular

Produktinformationen

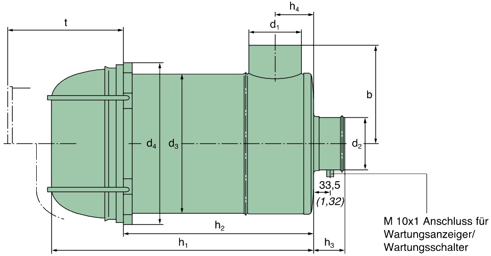
Gewicht [kg]: 24,78
Bauform / Bild: 1
Gehäuseunterteil - Werkstoff: St
Gehäuse - Werkstoff: St
Einlassdurchmesser [mm]: 210
Nenndurchfluss [m³/min]: 40
Filterelement: C 33 920/3
Auslassdurchmesser [mm]: 200
b: 305
Gehäuseunterteil: Mit Staubsammelbehälter
Zul. Dauereinsatztemperatur: -40°C bis +100°C
Hersteller: MANN+HUMMEL
d1: 210
d2: 200
d3: 420
d4: 442
h1: 760
h2: 615
h3: 105
h4: 132
t: 635
Versandgewicht 24.78 kg