MANN+HUMMEL Luftfilter 4565092304 (Piclon)

Artikelnummer: ELS-1396
1.038,70 €
inkl. MwSt. 1.236,05 €

Nicht auf Lager. Bitte senden Sie uns ihre Anfrage, wir beschaffen den Artikel schnellstmöglich für Sie!

Anfrageformular

Produktinformationen

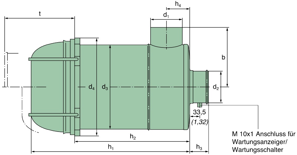
Gewicht [kg]: 13,15
Bauform / Bild: 1
Gehäuseunterteil - Werkstoff: St
Gehäuse - Werkstoff: St
Einlassdurchmesser [mm]: 132
Nenndurchfluss [m³/min]: 21
Filterelement: C 24 650/1
Auslassdurchmesser [mm]: 130
b: 230
Gehäuseunterteil: Mit Staubsammelbehälter
Zul. Dauereinsatztemperatur: -40°C bis +100°C
Hersteller: MANN+HUMMEL
d1: 132
d2: 130
d3: 320
d4: 342
h1: 610
h2: 496
h3: 105
h4: 95
t: 515
Versandgewicht 13.15 kg