FA413G10BB500000S0 Leitungsfilter (Druckfilter)

Artikelnummer: ELS-37212
74,88 €
inkl. MwSt. 89,11 €

Sofort verfügbar, Lieferzeit: 2-5 Tage

Produktinformationen

Gewicht [kg]: 2,1
Markenname: FA-4
Anbaulage: Leitungseinbau
Filtermedium: Glasfaser
Filterkopf - Werkstoff: Aluminiumlegierung
max. zul. Betriebsdruck [bar]: 34,5
max. zul. Differenzdruck [bar]: 15
Anschlussgewinde: 1" BSP
Dichtungen - Werkstoff: NBR
Einsatzbereich: Hydraulik
Filtertopf - Werkstoff: Stahl + Aluminiumlegierung
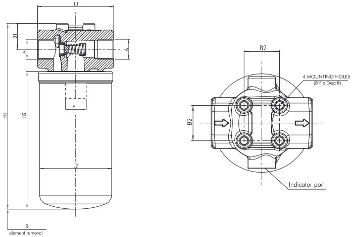
A: 1" BSP
Betriebstemperatur: -25°C bis +100°C
Filterfeinheit [µm(c)]: ß12=1000
Filterelement: D413G10B
Volumenstrom [m³/h]: s. Datenblatt
L1: 100
F: M10;15 tief
L2: 97
b1: 34
Hersteller: FILTREC
b2: 35
A1: 1"3/8-12 UN 2B
h1: 302
R: 30
h2: 240
Versandgewicht 2.1 kg