FA120T60BB6SS1 Leitungsfilter (Saugfilter)

Artikelnummer: ELS-55060
67,34 €
inkl. MwSt. 80,13 €

Nicht auf Lager. Bitte senden Sie uns ihre Anfrage, wir beschaffen den Artikel schnellstmöglich für Sie!

Anfrageformular

Produktinformationen

Markenname: FA-1
Filtermedium: Drahtgewebe
Filterkopf - Werkstoff: Aluminiumlegierung
Wartungsanzeiger / -schalter: optisch
max. zul. Betriebsdruck [bar]: 12
max. zul. Differenzdruck [bar]: 4
Anschlussgewinde: 1 1/4" BSP
Bypassventil Öffnungsdruck [bar]: 0,25
Dichtungen - Werkstoff: NBR
Einsatzbereich: Hydraulik
Filtertopf - Werkstoff: ST
Maschenweite [µm]: 60
Wartungsanzeiger - Anzeigedruck [bar]: 0 bis 1
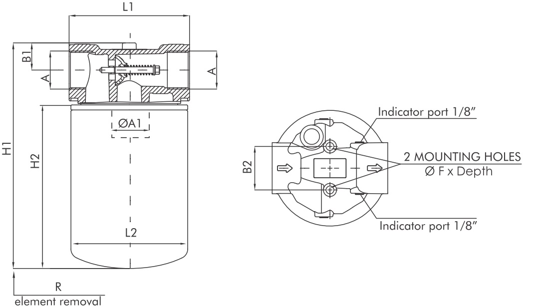
A: 1 1/4" BSP
Betriebstemperatur: -25°C bis +100°C
Filterelement: A120T60
Volumenstrom [m³/h]: s. Datenblatt
L1: 133
F: M8;15 tief
L2: 128
b1: 30
Hersteller: FILTREC
b2: 50
A1: 1 1/4" BSP
A2: 1 1/2" 16-UN
h1: 249
R: 40
h2: 182
Versandgewicht 0 kg