MANN+HUMMEL Luftfilter 4493092954 (Piclon NLG 37-42)

Artikelnummer: ELS-33548
706,81 €
inkl. MwSt. 841,10 €

Nicht auf Lager. Bitte senden Sie uns ihre Anfrage, wir beschaffen den Artikel schnellstmöglich für Sie!

Anfrageformular

Produktinformationen

Markenname: NLG Piclon
Einsatzbereich: Luftfiltration
Gehäuse - Werkstoff: PP-GF30
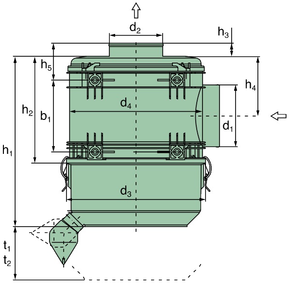
Einlassdurchmesser [mm]: 210
Gehäuselänge [mm]: 628
min. Durchflussbereich [m³/min]: 25
max. Durchflussbereich [m³/min]: 40
Filterelement: C 28 1140
Einlass: Stutzenlage rechts
Sekundärelement: CF 1840
Auslassdurchmesser [mm]: 180
Gehäuseunterteil: Mit Staubaustragvventil
Halter: Fest an Gehäuse angebracht
Zul. Dauereinsatztemperatur: -40°C bis +80°C
b1: 245
Hersteller: MANN+HUMMEL
b2: 240
d1: 210
d2: 180
h5: 91
d3: 407
h6: 207
d4: 393
h1: 628
h2: 363
h7: 237
h3: 33
h4: 188
t2: 595
Versandgewicht 0 kg